Til hovedinnholdet på siden
  • Välkommen till Yourex - Din Grossist på bilelektriska reservdelar.

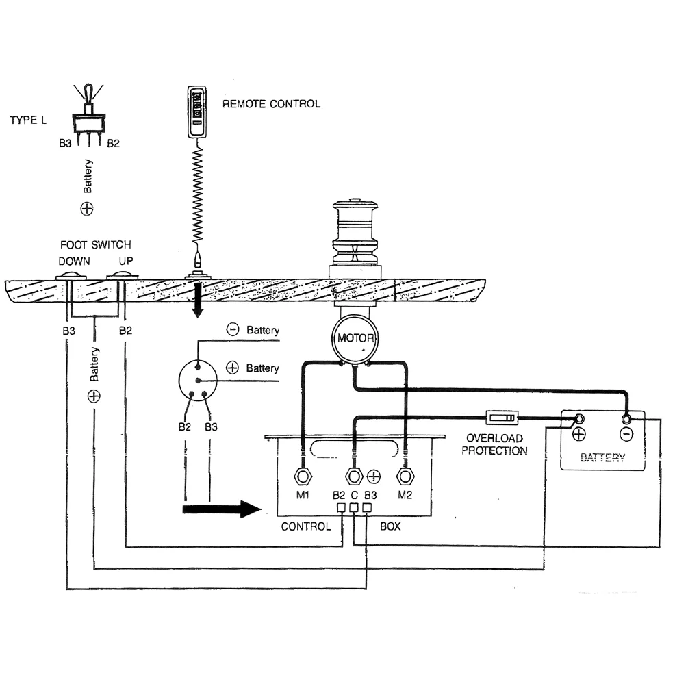
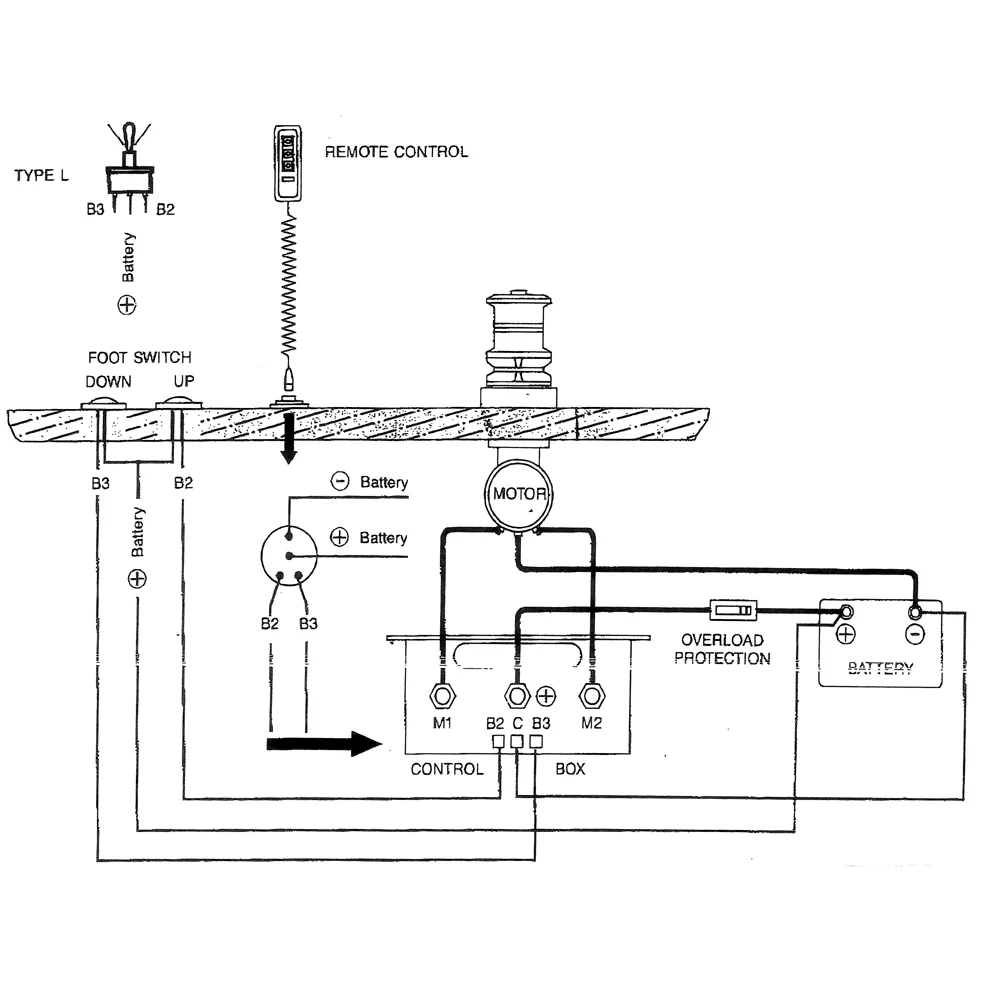
Varenr.: 12-802-2424

Dobbeltrelé 12V, DC-motor K.boks

Teknisk info:

12V-100A, DC motor kontrollboks

Beskrivelse

Dobbelterningsrelé 12V, DC-generator K.boks 12V-100A, DC-generator kontrollboks 120x60x100 Passer for DC-generatorer, Anker vinsj Marin mm.