Til hovedinnholdet på siden
  • Välkommen till Yourex - Din Grossist på bilelektriska reservdelar.

Varenr.: 12-802-2426

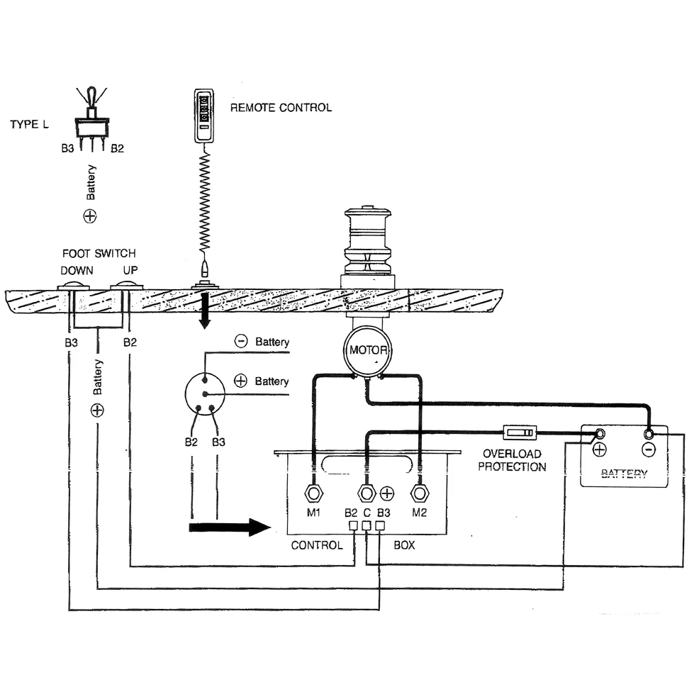
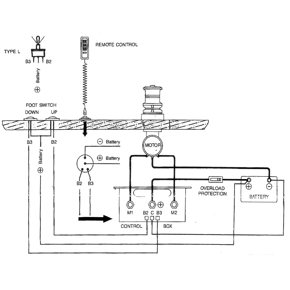
Dobbeltrelé 24V, DC motor K.boks

Teknisk info:

24V-50A, DC Motor kontrollboks

Beskrivelse

Dobbelrelé 24V, DC-motor K.boks 24V-50A, DC-motor kontrollboks 120x60x100 Passer til DC-motorer, Ankerbåtservotm.m.