Til hovedinnholdet på siden
  • Välkommen till Yourex - Din Grossist på bilelektriska reservdelar.

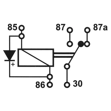
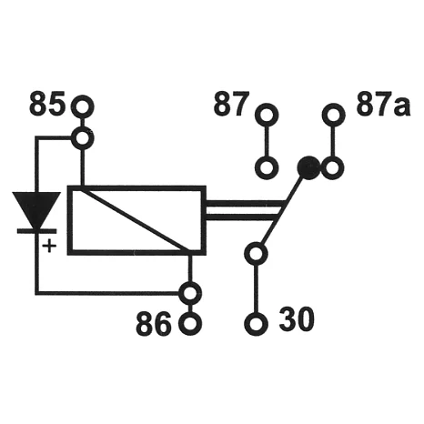
Varenr.: 85-2223

Mini-relé 24V-10/20A, 5s, diod

Teknisk info:

5-pinners minireläe med diode

Beskrivelse

Mini-relé 24V-10/20A, 5s, diod 5-pins mini-relé med diod 24V, veksler 10/20A Minireläsokkel 85-2353 & 85-2350 passer. 30/40A se 85-2227
  • OEM

    4RD003520667, 0332 204 204, 0332 204 213, 0332 204 214, 0332 209 204, 0332 209 205
  • Bilmärken

    Daf, Iveco, Mercedes Benz, Scania
  • NormaliseratArtNr

    4rd003520667, 852223, 0332204204, 0332204213, 0332204214, 0332209204, 0332209205