Til hovedinnholdet på siden
  • Välkommen till Yourex - Din Grossist på bilelektriska reservdelar.

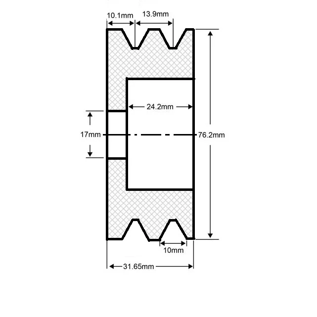
Varenr.: RC-43562

Reimhjul 2V, 17x76 9.5mm rem

Teknisk info:

2 spor

Beskrivelse

Reimhjul 17x78, 9,5 rem CHR DP 2 spor 17 x 76 x 32 mm Passer Chrysler gen. 40/90 & 50/120 ser. (90-120A/12V) Dobbel