Välkommen till Yourex - Din Grossist på bilelektriska reservdelar.
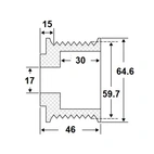
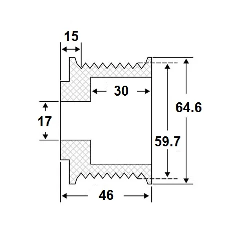
8 spor
Vi bruker informasjonskapsler for å gi deg den beste opplevelsen på nettstedet vårt. Du godtar bruken av informasjonskapsler ved å trykke OK og fortsette å bla gjennom nettstedet.